Chi tiết sản phẩm
- Chất liệu: Thép
- Màu sắc/bề mặt hoàn thiện: Mạ kẽm
- Đường kính ren: 6.0 mm
- Ren: Ren toàn bộ
- Loại đầu vít: Đầu chìm
- Kiểu vặn: Rãnh chữ thập PZ
- Đường kính lỗ khoan: 5.0 mm
- Khu vực ứng dụng: Dùng để vặn vào gỗ, phù hợp cho ray trượt ngăn kéo dẫn hướng con lăn
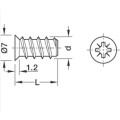
Thông số kỹ thuật
- Đường kính ren: 6 mm / 6.3 mm
- Đường kính đầu vít: 7 mm
- Chiều cao đầu vít: 1.2 mm
- Đường kính lõi:




